GB/T32086-2015 特定種類汽車內飾材料垂直燃燒特性技術要求和試驗方法全文詳情
GB/T32086-2015 特定種類汽車內飾材料垂直燃燒特性技術要求和試驗方法全文詳情
2016-08-01 10:48:03
前 言
本標準第3章、第4章為強制性,其余為推薦性。 本標準按照GB/T1.1-2009給出的規則起草。 本標準采用重新起草法修改采用歐盟汽車技術指令95/28/EC《特定種類汽車內飾材料的燃燒特性》 附件Ⅵ,與95/28/EC附件Ⅵ的主要差異如下: ——增加了使用壓板保證試樣垂直平整; ——在燃氣要求中,增加了液化石油氣; ——增加了試樣取樣方法; ——增加了結果表示方法。 本標準由工業和信息化部提出。 本標準由全國汽車標準化技術委員會(SAC/TC114)歸口。 本標準主要起草單位:中國第一汽車集團公司技術中心。 本標準參加起草單位:長春市和時利應用技術研究所。 本標準主要起草人:王清國、張英虹、劉憲武、常紅、王建兵、李春麗、李玉潔。
特定種類汽車內飾材料垂直燃燒特性技術要求和試驗方法

1 范圍
本標準規定了特定種類汽車內飾材料垂直燃燒特性的技術要求和試驗方法。 本標準適用于運載超過 22 名乘客的 M3類汽車內飾用窗簾、遮陽簾和/或其它內部懸掛材料,不適 用于有站立乘客的城市客車。
2 術語和定義
下列術語和定義適用于本文件。
2.1
燃燒速度 burning rate 燃燒距離與所用時間的比值,單位為毫米每分鐘(mm/min)。
2.2
內飾材料 interior material 窗簾、遮陽簾和/或其它內部懸掛材料。
3 技術要求
垂直燃燒速度應不大于 100 mm/min。
4 試驗方法
4.1 原理 將試樣垂直固定到矩形框架上,在燃燒箱中用規定火焰引燃試樣,測定試樣燃燒距離和所用時間。
4.2 試驗裝置及器具
4.2.1 試樣固定架 試樣固定架應是一個矩形框架,結構如圖 1 所示。框架高 560 mm,由兩根間距為 150 mm 的平行桿 連接組成,桿上有固定試樣的固定針。固定針直徑應不大于 2 mm,長度至少 27 mm。將試樣固定架安裝 在通風櫥內相應支架上,保證固定架在試驗期間始終處于垂直狀態。 為將試樣固定在固定針上,并離框架有一段距離,需在固定針附近安裝直徑為 2 mm,高度至少為 20 mm 的定位柱。
4.2.2 壓板 使用 U 形壓板保證試樣在試樣固定架上的垂直平整性。U 形壓板應平整且具有剛性,用適當材料制 成、尺寸相當于試樣固定架尺寸,厚度為 1.0 mm±0.1 mm。在壓板的左右兩側鉆出直徑大約為 4 mm 的 12 個圓孔,圓孔位置應保證其圓心間距等于試樣固定架上固定針之間的距離(見圖 1)。
4.2.3 燃氣燈 燃氣燈提供試驗火源,其描述和結構需遵照附錄 A 的規定。
4.2.4 燃氣 燃氣燈使用的燃氣為工業用丙烷氣體、丁烷氣體或液化石油氣。
4.2.5 標記線 白色絲光棉線,線密度最大為 50 tex。



1——第三標記線;
2——第二標記線;
3——第一標記線;
4——固定針;
5——定位柱;
6——試樣;
7——壓板;
8——燃氣燈。
圖 1 試樣固定架
4.2.6 秒表 測量時間用秒表精度不低于 0.5 s。
4.2.7 鋼板尺 鋼板尺量程 600 mm 以上,精度為 1 mm。
4.2.8 通風櫥 試樣固定架應放在通風櫥中,通風櫥內部容積為試樣固定架體積的 20 倍~110倍,且通風櫥的長寬、高的任一尺寸不得超過另外兩個尺寸中任一尺寸的 2 倍。 試驗前,在距離試樣固定架最終確定位置前后各 100 mm 處測量空氣流過通風櫥的垂直速度,該速度應在 0.10 m/s~0.30 m/s 之間。通風櫥可使用自然通風或適當風速通風。
4.3 試樣
4.3.1 尺寸 試樣尺寸為長 560 mm±2 mm,寬 170 mm±2 mm,厚度為零件厚度。
4.3.2 取樣 在經向和緯向分別裁取三塊(或更多)試樣進行燃燒試驗。取樣方法如下: a) 若零件的形狀和尺寸符合取樣要求,試樣應從零件上裁取。 b) 若零件的形狀和尺寸不符合取樣要求,可用同材料同工藝制成、結構與零件一致的標準試樣 進行試驗。 c) 當材料按整個幅寬供貨時,需將距邊緣 100 mm 的材料裁掉,然后在其余部分等距、均勻取樣。 4.3.3 預處理 試樣在溫度 23℃±2℃、相對濕度 50%±5%的標準狀態下放置至少 24 h,直到開始試驗。
4.4 試驗步驟
4.4.1 在溫度為 10℃~30℃、相對濕度 15%~80%的環境條件下進行試驗。
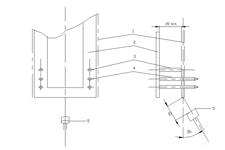
4.4.2 燃氣燈在試樣前下方,位于通過試樣的垂直中心線與試樣表面呈垂直狀態的平面內,燃氣燈中 心軸向上傾斜,與試樣所在平面成 30°角,燃氣燈頂部和試樣下邊緣的距離為 20 mm,示意圖如圖 2 所示。燃氣燈垂直放置時點燃燃氣燈,調節火焰高度至 40 mm±2 mm,該距離是燃氣燈噴嘴口與火焰頂 端距離。在開始第一次試驗前,火焰應在此狀態下穩定燃燒至少 2 min,然后熄滅。
單位為毫米
1——試樣;
2——試樣固定架;
3——定位柱;
4——固定針;
5——燃氣燈。
圖 2 燃氣燈與試樣關系示意圖
4.4.3 將預處理過的試樣固定在試樣固定架的固定針上,貼近定位柱,然后壓上 U 形壓板,保證固定 針穿過壓板上的各個圓孔,試樣距離框架至少 20 mm。將試樣固定架安裝到燃燒箱頂部支架上,保證試 樣垂直。
4.4.4 在圖 1 所示的試樣壓板前水平放置標記線,標記線距離試樣表面的距離分別為 1 mm 和 5 mm, 為保證標記線相對試樣位置,標記線應保持足夠張力。
4.4.5 點燃燃氣燈,調節火焰高度至 40 mm±2 mm。調節燃氣燈放置角度,使燃氣燈中心軸傾斜,與 試樣所在平面成 30°夾角,試樣在燃氣燈火焰中引燃 5 s,立即熄滅燃氣燈并將其復位。
4.4.6 如果試樣能繼續燃燒 5 s,則認為已經點燃。如果試樣沒有燃燒,則認為未點燃,需重新對另 一個經過預處理的試樣進行試驗,但試樣在燃氣燈火焰中引燃時間是 15 s。
4.4.7 如果任一組三個試樣中的任一結果超過最小值的 50%,則應取同樣方向的另外一組試樣再次進 行試驗。如果任一組三個試樣中一個或兩個試樣沒有燃燒到第三標志線,則取同樣方向的另外一組三個 試樣再次進行試驗。
4.4.8 測量下列時間,單位為秒(s): a) 從點火開始到火焰燒斷第一標記線的時間 t1; b) 從點火開始到火焰燒斷第二標記線的時間 t2; c) 從點火開始到火焰燒斷第三標記線的時間 t3。
4.5 計算 對于燃燒火焰至少到第一標記線的試樣,燃燒速度(Vi)按下式計算:
V i =60×( D i /t i )
式中: V i ——燃燒速度,單位是毫米每分鐘(mm/min);
i ——火焰燃燒至第一/第二/第三標記線,分別為 1、2 和 3;
D i ——火焰燃燒至第一/第二/第三標記線的燃燒距離,單位是毫米(mm);
t i ——火焰燒斷第一/第二/第三標記線的燃燒時間,單位是秒(s)。
每個試樣的燃燒速度取 V1、V2和 V3中的最大值,一組試樣的燃燒速度以三塊或更多試樣的燃燒速度 最大值為試驗結果,計算結果修約至整數位。
4.6 燃燒速度的結果表示
4.6.1 如果試樣在火焰中引燃 15 s 后仍不能繼續燃燒 5 s;或者火焰在到達第一標記線前自行熄滅, 均認為燃燒速度符合要求,二者都表示為 0 mm/min。
4.6.2 如果試樣能燃燒,且火焰超過第一標記線,則按
4.5 項要求進行燃燒速度計算,燃燒速度結果 表示為 Vi-實測值 mm/min,例如 V1 50 mm/min。
4.7 試驗報告 試驗報告應包括下列內容: a) 零件名稱、型號規格、材質、生產單位、試驗單位、試驗日期和試驗人; b) 試樣數量,試樣厚度; c) 試驗結果:點燃時間、燃燒時間、燃燒距離、燃燒速度,以及燃燒過程中的現象。
附 錄 A (規范性附錄) 燃氣燈的描述和結構
A.1 描述
燃氣燈提供火焰,其閥門結構應便于控制火焰并調節火焰高度,火焰高度可以在 10 mm~60 mm 之 間進行調節。
A.2 結構
燃氣燈的結構如圖 A.1a)所示,由三部分組成。 A.2.1 氣體噴嘴 氣體噴嘴內徑為 0.18+0.03 0 mm,結構和尺寸如圖 A.1b)所示。 A.2.2 燃氣燈管 燃氣燈管由空氣室、氣體混合區、擴散區和氣體出口四部分組成,結構和尺寸如圖 A.1d)所示。 空氣室內的燃氣燈管有四個直徑為 4 mm 的空氣入口小孔,孔的前部邊緣與噴嘴頂端接近水平。擴 散區呈錐形,氣體入口內徑為 1.7 mm,出口內徑為 3.0 mm。 A.2.3 火焰穩定器 火焰穩定器的結構和尺寸如圖 A.1c)所示。
單位為毫米
1——氣體噴嘴;
2——燃氣燈管;
3——火焰穩定器;
4——阻氣管;
5——氣孔;
6——氣體混合區;
7——擴散區;
8——空氣室;
9——氣體出口。
圖 A.1 燃氣燈結構和尺寸示意圖

